菜单
close
浙江嘉丰动力科技主营产品:永磁异步感应水冷电机、永磁同步水冷电机、无磁同步电机、伺服电机-
188 6833 5070
EN

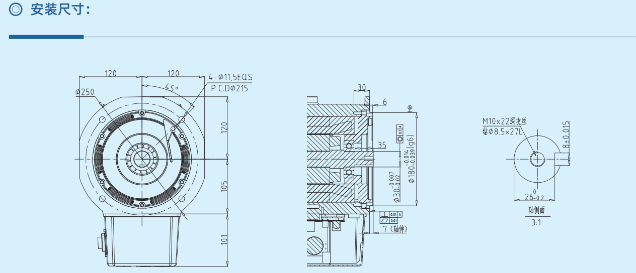
全密封水冷感应一体式电机

0.jpg

 电机特点

                      1、高效散热:确保稳定运行。

                      2、紧凑设计:便于设备布局和安装。

                      3、低噪音振动:提供安静运行环境。

                      4、维护方便:简化维护流程。

                      5、电机100%全密封设计,整体无泄漏结构。

                      6、可定制化。

应用行业

                       如光伏、半导体、新能源电池、化工、食品,医疗等。

222.png

32.png

相关产品

轮毂电机
轮毂电机

轮毂电机

无人驾驶方向盘控制电机
无人驾驶方向盘控制电机

无人驾驶方向盘控制电机

全密封水冷永磁同步一体式电机
全密封水冷永磁同步一体式电机

全密封水冷永磁同步一体式电机

全密封水冷永磁同步电机(悬臂式,不锈钢壳)
全密封水冷永磁同步电机(悬臂式,不锈钢壳)

全密封水冷永磁同步电机(悬臂式,不锈···

全密封水冷永磁同步电机(不锈钢壳)
全密封水冷永磁同步电机(不锈钢壳)

全密封水冷永磁同步电机(不锈钢壳)

全密封水冷永磁同步电机(悬臂式)
全密封水冷永磁同步电机(悬臂式)

全密封水冷永磁同步电机(悬臂式)

Copyright © 浙江嘉丰动力科技有限公司