菜单
close
浙江嘉丰动力科技主营产品:永磁异步感应水冷电机、永磁同步水冷电机、无磁同步电机、伺服电机-
188 6833 5070
EN

全密封水冷永磁同步电机

44.jpg

 1757297220615955.jpg

                       1、IE5超高能效

                       2、低噪环保。

                       3、长期连续运行,温升稳定,无性能衰减。

                       4、100%全密封设计。

                       5、可定制化

1757297238816315.jpg

                        如光伏、半导体、新能源电池、化工、食品,医疗等。

1758160066116514.jpg

788.png

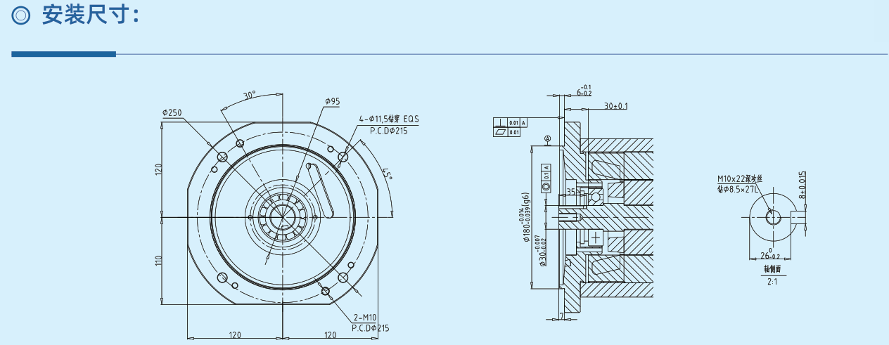
 水冷电机外形和安装尺寸

a.png

水冷永磁同步电机安装尺寸(B5)

b.jpg

相关产品

轮毂电机
轮毂电机

轮毂电机

无人驾驶方向盘控制电机
无人驾驶方向盘控制电机

无人驾驶方向盘控制电机

全密封水冷永磁同步一体式电机
全密封水冷永磁同步一体式电机

全密封水冷永磁同步一体式电机

全密封水冷永磁同步电机(悬臂式,不锈钢壳)
全密封水冷永磁同步电机(悬臂式,不锈钢壳)

全密封水冷永磁同步电机(悬臂式,不锈···

全密封水冷永磁同步电机(不锈钢壳)
全密封水冷永磁同步电机(不锈钢壳)

全密封水冷永磁同步电机(不锈钢壳)

全密封水冷永磁同步电机(悬臂式)
全密封水冷永磁同步电机(悬臂式)

全密封水冷永磁同步电机(悬臂式)

Copyright © 浙江嘉丰动力科技有限公司