Full Sealed Water Cooled Induction Motor (Stainless Steel Shell)


1、Excellent corrosion resistance.
2、Efficient heat dissipation and continuous high-power output.
3、100% fully sealed design.
4、Low noise and vibration.
5、Customizable.

Photovoltaic, Semiconductor, New Energy Batteries, Chemical Industry, Food, Medical Care and Others.


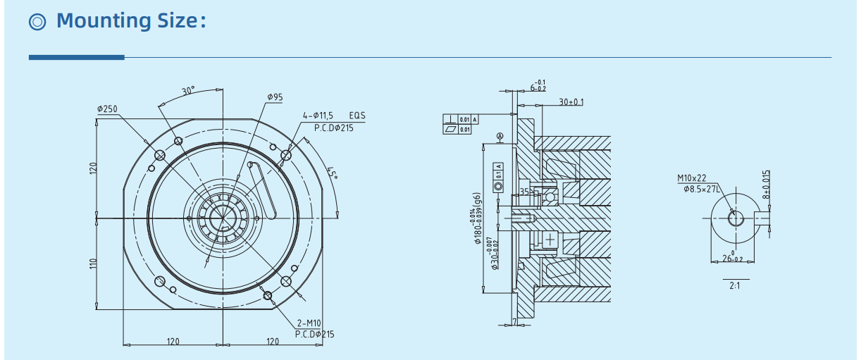
Outline and Mounting Size of Water Cooled Motor

Mounting Size of Water Cooled Induction Motor (B5)

相关产品