Fully Sealed Water Cooled Permanent Magnet Synchronous Motor(Stain-less Steel Shell)


1、Excellent corrosion resistance.
2、Efficient heat dissipation and continuous high-power output.
3、IP68 protection rating, suitable for harsh environments.
4、Low noise and environmental protection.
5、Customizable.

Photovoltaic, Semiconductor, New Energy Batteries, Chemical Industry, Food, Medical Care and Others.


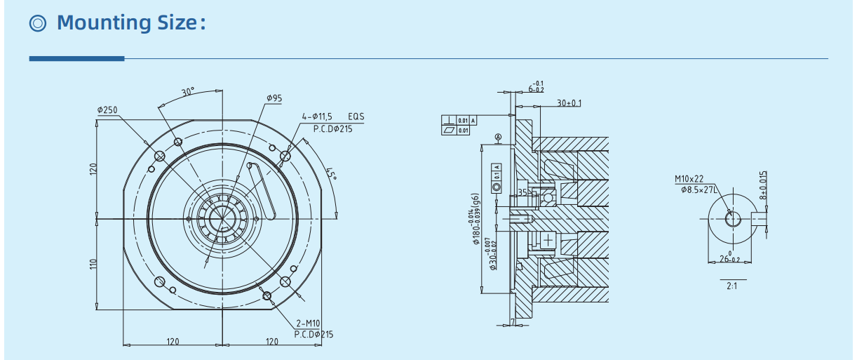
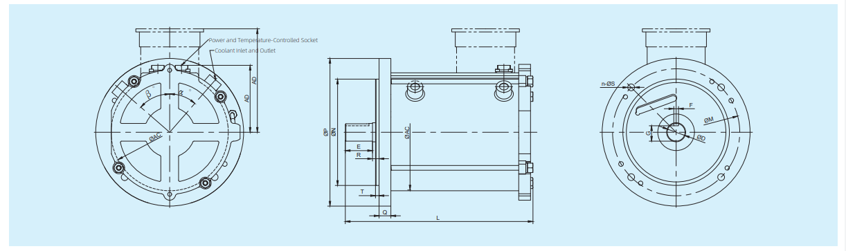
Outline and Mounting Size of Water Cooled Motor

Mounting Size of Water Cooled PMSM (B5)

相关产品