Fully Sealed Water Cooled Permanent Magnet Synchronous Motor


1、Efficient and uniform heat dissipation with stable temperature control.
2、High power density and stable operation.
3、100% fully sealed design.
4、Low noise and low vibration.
5、Customizable.

Photovoltaic, Semiconductor, New Energy Batteries, Chemical Industry, Food, Medical Care and Others.


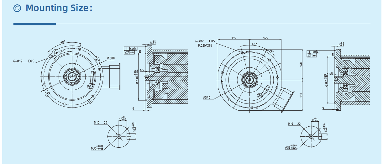
Outline and Mounting Size of Water Cooled Motor

Mounting Size of Water Cooled PMSM (B5)

相关产品