Fully Sealed Water Cooled Permanent Magnet Synchronous Motor


1、IE5 ultra-High energy efficiency.
2、Low noise and environmentally friendly.
3、Long-term continuous operation, stable temperature rise, and no performance degradation.
4、100% fully sealed design.
5、Customizable.

Photovoltaic, Semiconductor, New Energy Batteries, Chemical Industry, Food, Medical Care and Others.


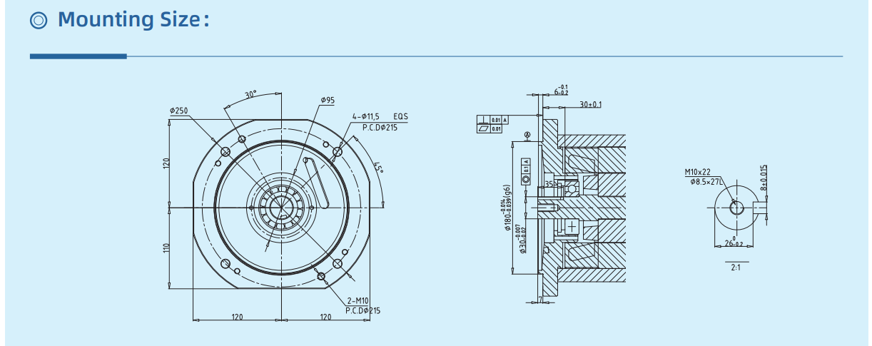
Outline and Mounting Size of Water Cooled Motor

Mounting Size of Water Cooled PMSM (B5)

相关产品