Full Sealed Water Cooled Induction Motor


1、The aluminum shell is lightweight, offers high heat dissipation, and has strong corrosion resistance, making it suitable for high-humidity/corrosive environ-ments.
2、The axial water channel design optimizes the flow path direction, ensuring that .
3、Maintains high efficiency across a wide load range.
4、Fully sealed design, achieving zero leakage from material selection to structur-al design.
5、Customizable.

Photovoltaic, Semiconductor, New Energy Batteries, Chemical Industry, Food, Medical Care and Others.


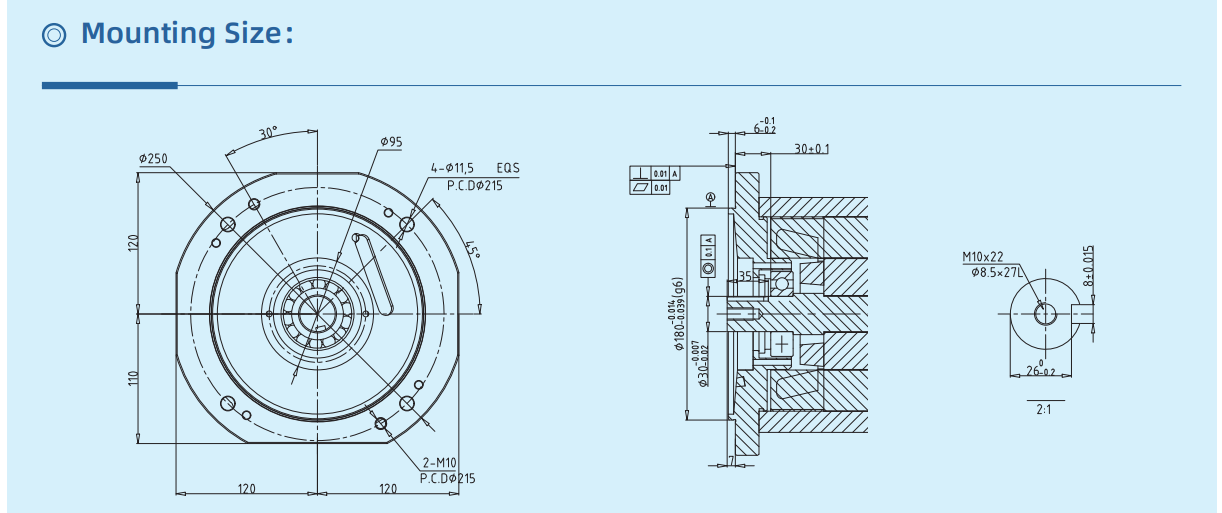
Outline and Mounting Size of Water Cooled Motor

Mounting Size of Water Cooled Induction Motor (B5)

相关产品